オールステンレス低鉄棒(2連)
| 商品コード | 60-75191-049 |
|---|---|
| 価格 | 523,600円(税別476,000円) |
基礎・組立・設置工事費別途
60-75191-049
●材質:ステンレス
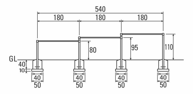
●寸法:360×10×高さ95・110cm
●その他の仕様:※ワンポイントの継手(ステンレスカラー塗装)は赤と青の2色があります。色をご指定ください。
60-75191-050
●材質:ステンレス
●寸法:360×10×高さ80・95・110cm
●その他の仕様:※ワンポイントの継手(ステンレスカラー塗装)は赤と青の2色があります。色をご指定ください。
